tenbooks.ru
tenbooks.ru
Найти
Tenbooks リップル
»
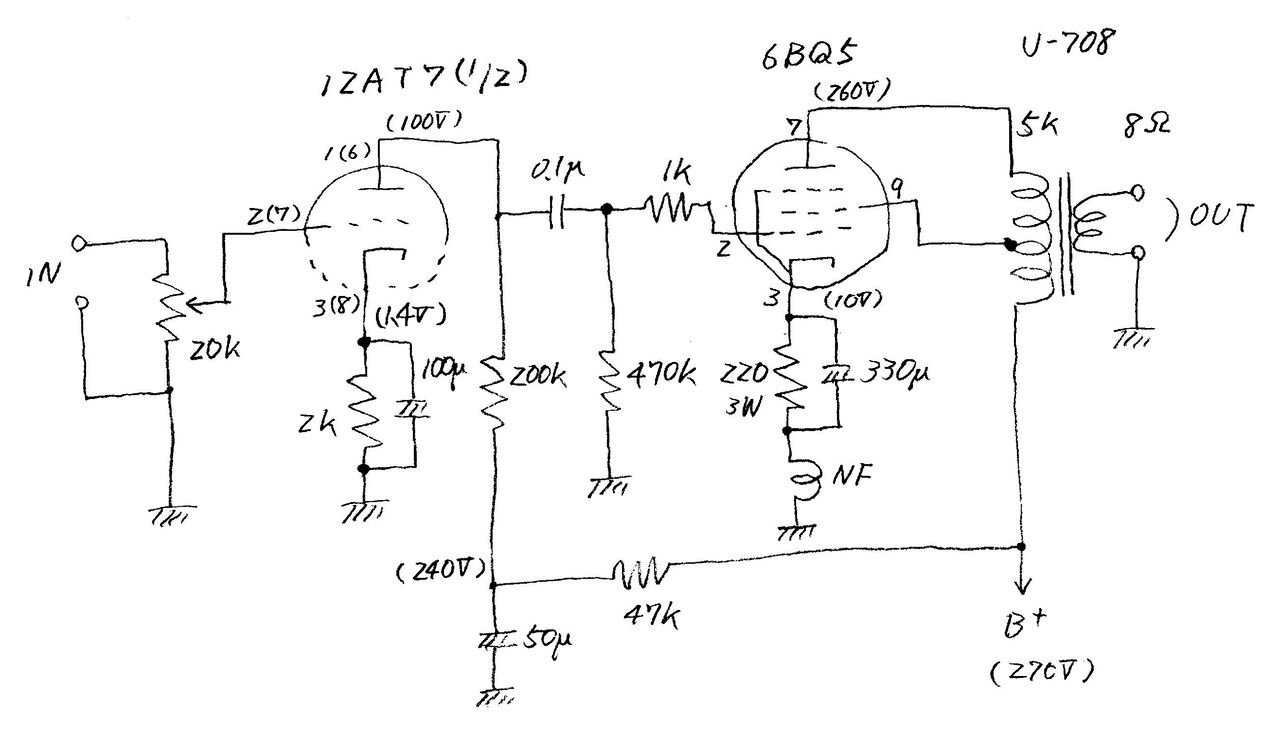
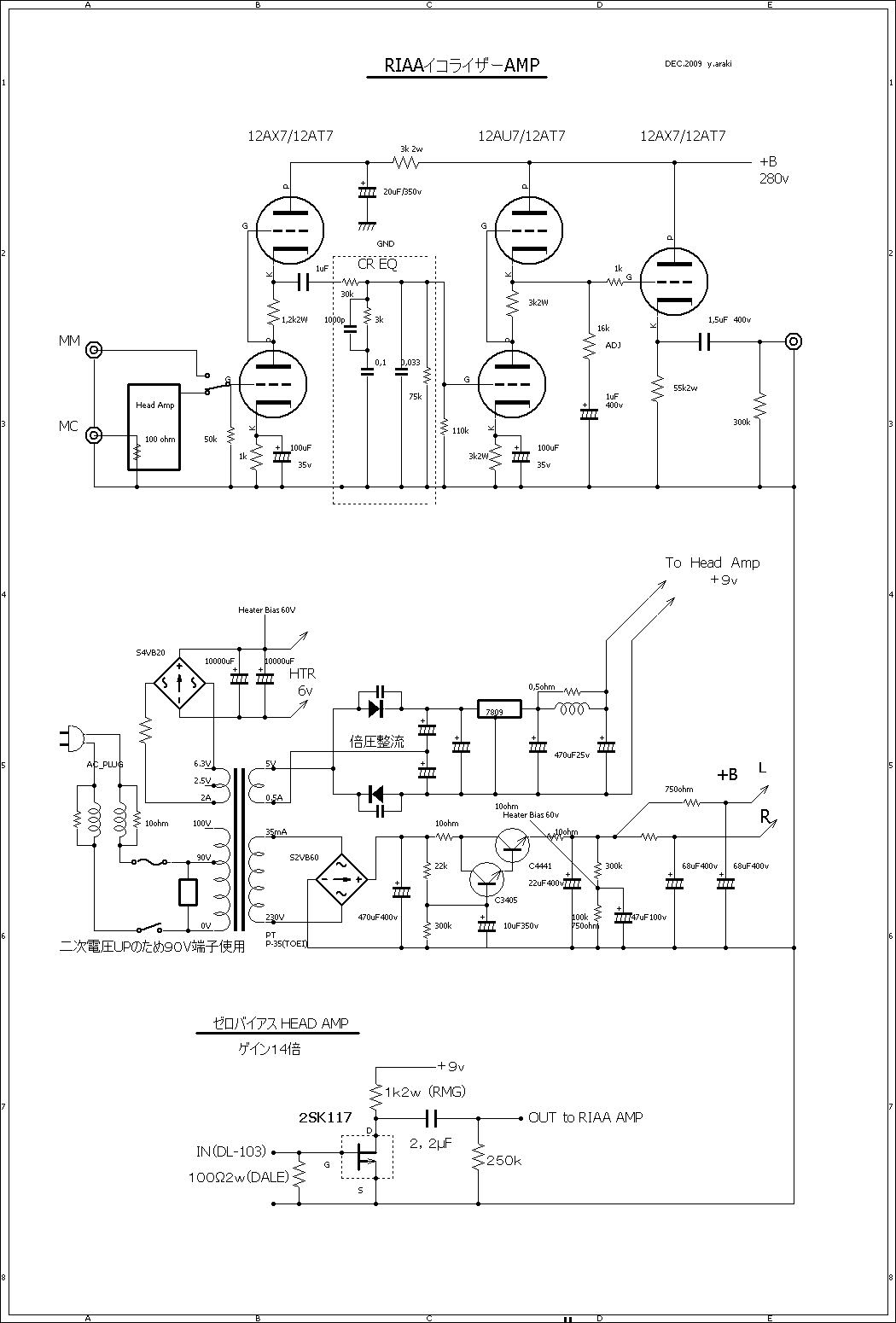
fet リップルフィルター
» Fet リップルフィルター 設計 (91) 사진
Fet リップルフィルター 設計 (91) 사진
0
1
2
3
4
5
01 февраль
0
0
fet リップルフィルター
Похожие статьи
Mos fet リップル フィルタ 自作 (89) 사진
リップルフィルター fet (89) 사진
Fet リップル フィルタ設計 (90) 사진
リップルフィルター fet 秋月 (68) 사진
Fet リップルフィルター 原理 (91) 사진